FHRMM Fiber-Optic RF Slip Ring
Product Introduction
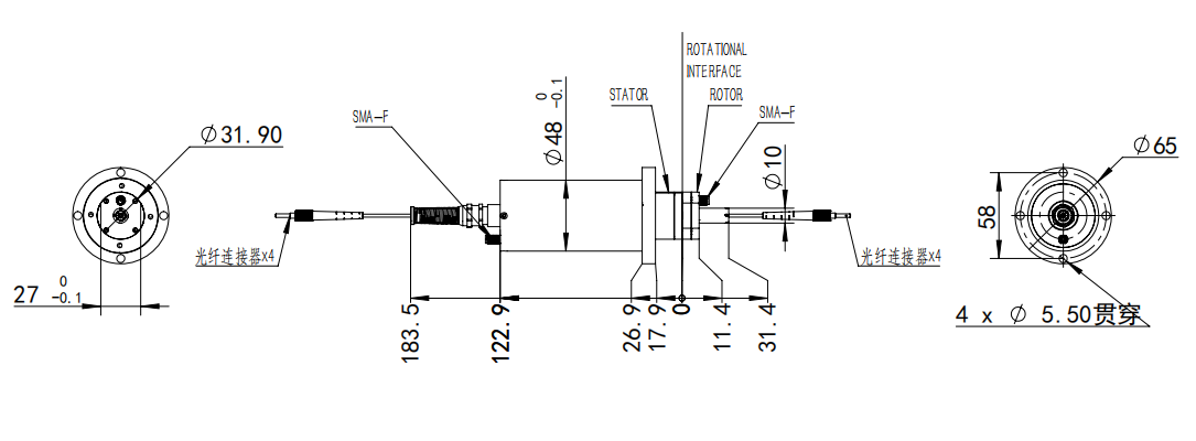
The FHRMM series fiber optic RF combination slip ring contains 2-7 channels of fiber optic signals and 1 channel of RF signal . The fiber optic module and RF module are highly integrated, with an outer diameter of only 48mm . The structure is compact and convenient for integration and installation with electrical slip rings.
Main Technical Performance
Optical Parameters | |||
Indicator Name | Value | ||
Channels Count | 2-7 | ||
Working Wavelength | 1310/1550(SM) ;850/1310(MM) | ||
Insertion Loss (room temperature) | ≤ 4dB | ||
Insertion Loss Fluctuation | ≤ 2dB | ||
Return Loss | ≥ 40dB(SM) | ||
Withstand Optical Power | ≤ 23dBm | ||
Tail cable withstand tension | ≤ 12N | ||
RF Parameters | |||
RF Interface | SMA-F (50Ω) | Peak Power | 1000W |
Working Frequency | DC-5.5GHz | Average Power | 10W |
VSWR | ≤ 1.5 | Phase Change Value | ≤ 4° |
VSWR fluctuation value | ≤ 0.1 | Housing Material | Aluminum Alloy |
Insertion Loss | ≤ 0.5dB | Surface Treatment | Conductive Oxidation |
Insertion loss fluctuation | ≤ 0.1dB | ||
Mechanical Parameters | |
Working Temperature | 20 ~ 60℃ (-40 ~ 85℃ optional) |
Storage temperature | -50 ~ 85℃ |
Weight (excluding tail cables and connectors) | about 550g |
Vibration and Shock Standard | GJB150 Land Mobile |
Protection Class | IP51 |
Maximum Working Speed | 60rpm |
Service Life | ≥ 5 million revolutions |
FHRMM Dimensions
